公共・公益施設における雨水流出抑制施設設置参考資料
- [公開日:2025年10月24日]
- [更新日:2025年10月24日]
- ページ番号:550
ソーシャルサイトへのリンクは別ウィンドウで開きます
図-1 貯留型施設の構造型式
ダム式(堤高15m未満)
- 主として丘陵地で谷部をアースフィルダムあるいはコンクリートダムによりせき止め、雨水を貯留する型式。

堀込式
- 主として平坦地を堀込んで雨水を一時貯留する型式であり、計画高水位が周辺地盤高とほぼ同じになる。

地下式
- 地下貯留槽、埋設管等に一時雨水を貯留し、流出抑制の機能をもたせたもの。

小堤・小堀込式
- 概ね1.0m未満の築堤あるいは堀込による貯留施設であり、公園、学校校庭、棟間等本来の利用目的を有する土地に設置する場合に採用される。

表-1 流出抑制施設の分類
雨水貯留型
- オフサイト型雨水貯留
多目的遊水地
治水緑地
遊水地
防災調整池
調整池型貯留施設
公園貯留施設
校庭貯留施設
多段式貯留施設
駐車場貯留施設 - オンサイト型雨水貯留
調整池型貯留施設
公園貯留施設
校庭貯留施設
多段式貯留施設
駐車場貯留施設
棟間貯留施設
ピロティ式貯留施設
地下式貯留施設
各戸貯留施設
雨水浸透型
- 浸透井
- 浸透地下トレンチ
- 浸透池
- 透水性舗装
- 浸透溝
- 浸透桝
図-2 排水方式

表-2 許容放流量(単位:立方メートル/s/ha)
- 楠葉排水区 0.069
- 穂谷川排水区 0.044
- 香里排水区 0.097
- 犬田川排水区 0.089
- 鎮守川排水区 0.084
- 野々田川排水区 0.073
- 北谷川排水区 0.125
- 安居川排水区 0.142
- 車谷川排水区 0.123
- 津田排水区 0.104
- 藤本川排水区 0.075
- 新安居川排水区 0.037
- 八田川排水区 0.138
- 小川排水区 0.073
- 黒田川排水区 0.061
- サダ排水区 0.062
- 長尾排水区 0.091
- 申田川排水区 0.091
- 溝谷川排水区 0.086
- 深谷排水区 0.105
- 前田川排水区 0.070
図-3 放流施設構造図

図-4 構造型式の分類
雨水貯留施設
- 地表面貯留(浅い掘り込み・小堤)
- 地下貯留
表-3 貯留限界水深
集合住宅
- 貯留場所
棟間緑地・貯留限界水深0.3メートル
駐車場
- 貯留場所
駐車ます・貯留限界水深0.1メートル
小学校
- 貯留場所
屋外運動場・貯留限界水深0.2メートル
中学校
- 貯留場所
屋外運動場・貯留限界水深0.3メートル
児童公園
- 貯留場所
築山等を除く広場・貯留限界水深0.2メートル
近隣・地区公園
- 貯留場所
運動施設用地広場等・貯留限界水深0.3メートル
(注:安全対策を考慮し、貯留水深を0.5mとする場合もある)
図-5 小堤・小堀込式貯留施設の類型化

図-6 貯留部周囲堤の概念
小堀込式

盛土小堤

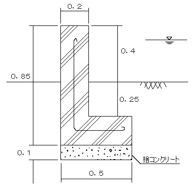
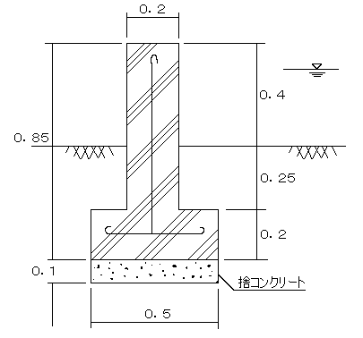
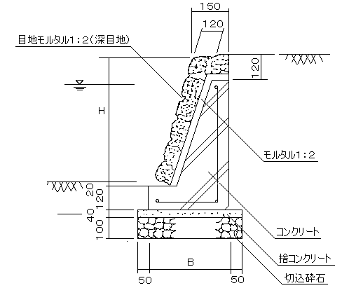
図-7 周囲堤としてのコンクリート壁と石積の構造例
(L型ウォール)

(逆T型ウォール)

(化粧石積)

図-8 堀込式貯留施設の地下水対策の例


(防水シートを使用しないで鉄筋コンクリートで防水する案もある。)
図-9 構造型式の分類
浸透施設-浸透型
- 浸透法(浸透トレンチ、浸透側溝、浸透桝、浸透池、透水性舗装)
- 井戸法(乾式井、湿式井)
図-10

図-11 泥だまり(浸透桝)を手前に設置した場合

表-4 浸透施設の構造
浸透桝
- 浸透桝は、底歩をモルタルなどで密封せず、底面部を砂、砕石の煩に充填した構造である。
- 桝の上部構造は、その集水目的に応じて、宅地桝、U結桝、街渠桝等の通常の側塊および桝蓋を使用する。

浸透トレンチ

浸透トレンチは、主として建物廻り緑地、広場等で浸透桝と組み合わせて設置し、構造は原則として下記による。
- トレンチは、幅W=600ミリ、深さ600ミリ~700ミリを標準とする。
- トレンチ内には、接続された桝からの流入水を均一に分散させるため、充填された砕石中に透水管を布設する。その透水管は、径100ミリ~200ミリを標準とする。
- 砕石上面には透水シートを敷き普通土で埋める。
浸透側溝

浸透側溝の構造は、原則として下記による。
- 側溝の底面に敷砂を厚さ10センチメートル、砕石を10~30センチメートル充填した構造とする。なお、側溝の側面に巻厚10センチメートルの砕石を施す。
- 側溝は、透水性のものを使用し、その幅は、所要の浸透量、貯留量によって決め150~450ミリを標準とする。
- 側溝に段差が生じる場合、または末端の接続桝には、その手前に越流堰を設ける。
- 側溝は蓋掛けを原則とする。
透水性舗装

透水性舗装は、原則として下記による。
- 透水性舗装は、歩道および自動車の少ないアプローチ、駐車場に用いるものとする。
- 表層、路盤の空隙は設計貯留量とすることができる。
表-5 目詰りを考慮した空隙率
- 砂 空隙率25%
- クラシャーラン路盤 空隙率10%
- 透水性アスファルト 空隙率10%
- 透水性コンクリート 空隙率25%



